设为首页
|
加入收 藏
|
联系我们
咨询热线:0562-8822871
网站首页
|
关于我们
|
产品中心
|
新闻资讯
|
设备展示
|
招聘信息
|
联系我们
|
联系我们
安徽福茂环保科技有限公司
联系电话:0562-8822871
地址:铜陵市循环经济工业试验园福茂产业园
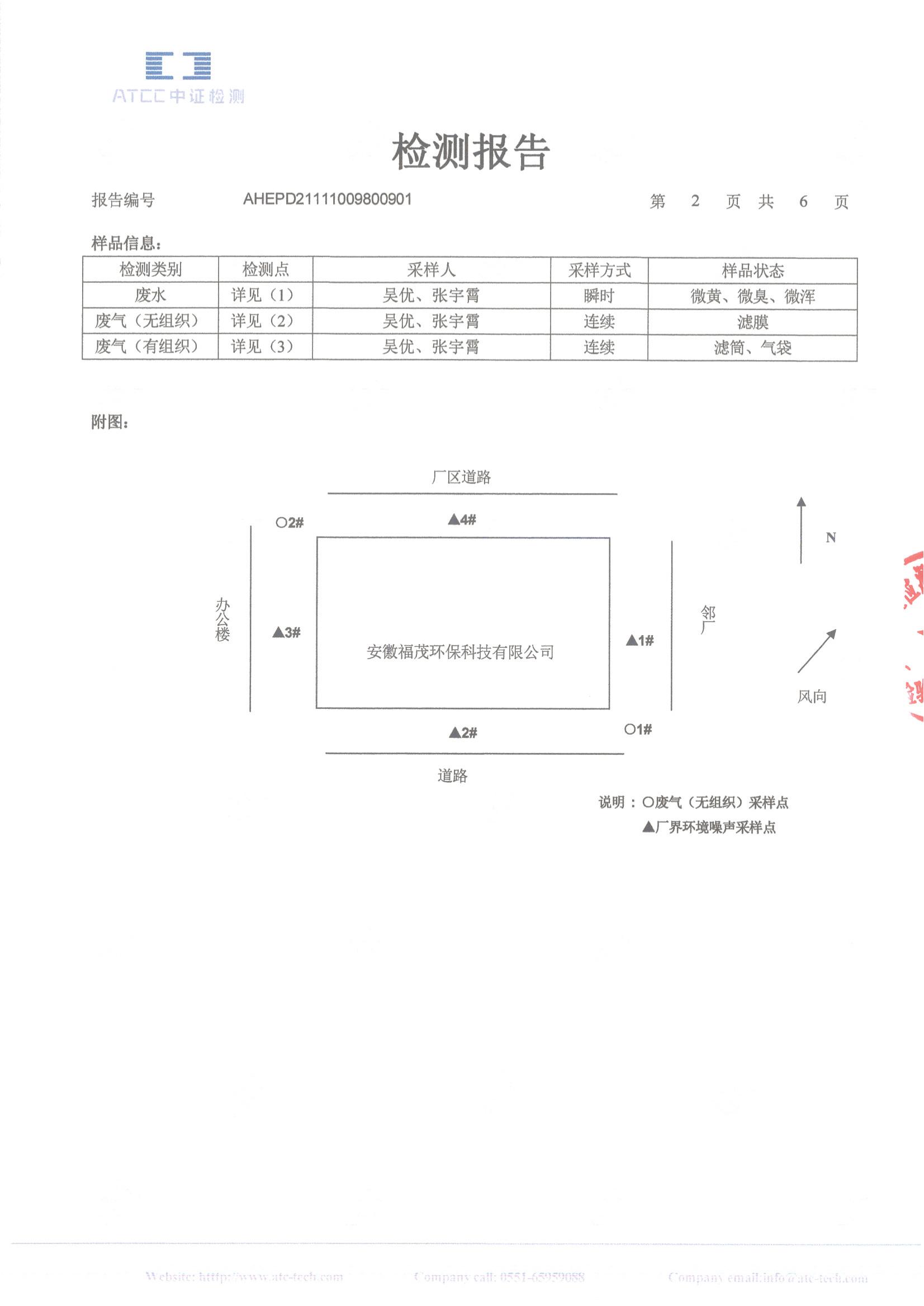
2021年11月份检测报告
发布时间 2021-12-07
[ 点击数:] [
打印本网页
] [
关闭本窗口
]
相关内容
查无记录
Copyright © 2019,安徽福茂环保科技有限公司 All rights reserved
联系电话:0562-8822871 地址:铜陵市循环经济工业试验园福茂产业园 友情链接:
广州网站建设
上海网站建设
苏州万户
网站管理